服务热线
029-88633439
手机
18092189061
PRODUCT CENTERS


精密压力表主要用来校验工业用普通压力表,也可在工艺现场精确测量对铜合金和合金结构钢等材质无腐蚀性、非结晶、非凝固介质的压力。
该仪表在标度线下设置有镜面环(A型B型),在使用中读数更清晰精确。并带有调零装置(B型)。
结构原理
仪表由测压系统、传动机构、指示装置和外壳组成。测压弹性元件经特殊工艺处理,使其性能稳定可靠,与高精度的传动机构配套调试后,能确保精确的指示精度。
仪表的工作原理是:当被测介质的压力作用于弹性元件后,使其产生弹性变形一位移,经拉杆带动传动机构放大,由指示装置指示被测压力。
主要技术指标
测量范围、精确度等级及特点
| 型号 | 弹簧管材料 | 测量范围 | 精确度等级 | 结构特点 |
| YB-150A | 锡磷青铜铬钒钢 | 0~0.1;0~0.16; 0~0.25;0~0.4; 0~0.6;0~1;0~1.6; 0~2.5;0~4;0~6;0~10; 0~16;0~25;0~40;0~60; | 0.4 | 镜面 |
| YB-150B | 0.25 | 镜面 |
使用环境条件:5~40℃,相对湿度不大于80%,且环境震动和压力源的波动对仪表的精确读数无影响。
温度影响:使用环境温度如偏离20±3℃(A 型)或20±2℃(B 型)时,则须考虑温度附加误差0.4%/10℃。
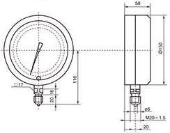
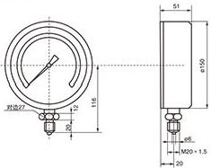
重量:1kg(A 型 ) 1 . 4kg(B 型)
YB-150A YB-150B
